
產品名稱:D71X/F軟密封對夾式蝶閥
產品標簽:蝶閥,軟密封對夾式蝶閥
更新時間:2019/5/27 10:16:24
上一個產品: D71X/F手動對夾式蝶閥
下一個產品:D371X蝸輪對夾式蝶閥
在線訂購:在線訂購
產品詳情
公稱通經DN(mm) |
50~2000 |
50~2000 |
|
公稱藥理PN(MPa) |
0.6 |
1.0 |
1.6 |
密封試驗(MPa) |
0.66 |
1.1 |
1.76 |
強度試驗(MPa) |
0.9 |
1.5 |
2.4 |
適用溫度 |
丁腈橡膠:-40℃~90℃氟橡膠:-20℃~200℃ |
||
適用介質 |
水、空氣、天然氣、油品及弱腐蝕性流體 |
||
泄漏率 |
符合GB/T13927-92標準 |
||
驅動方式 |
蝸輪傳動、電動、氣動、液動 |
||
D71X/F軟密封對夾式蝶閥主要零件材料
零件名稱 |
材料 |
閥體 |
灰鑄鐵、球墨鑄鐵、鑄鋼、不銹鋼及特殊材料 |
蝶板 |
球墨鑄鐵、鑄鋼、不銹鋼及合金鋼 |
閥軸 |
2Cr13、不銹鋼 |
密封圈 |
丁腈耐油橡膠、聚四氟乙烯 |
填料 |
O型圈、柔性石墨 |
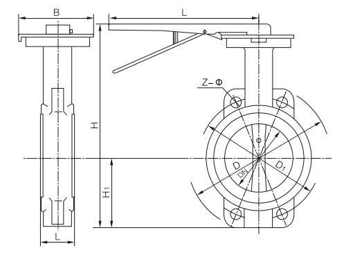
D71X/F軟密封對夾式蝶閥主要外形尺寸
通徑DN(mm) |
L |
H |
HO |
A |
B |
0.6MPa |
1.0MPa |
1.6MPa |
|||
DO |
n-d |
DO |
n-d |
DO |
n-d |
||||||
50 |
43 |
63 |
235 |
270 |
110 |
110 |
44 |
125 |
48 |
125 |
48 |
65 |
46 |
70 |
250 |
270 |
110 |
130 |
44 |
145 |
48 |
145 |
48 |
80 |
46 |
83 |
275 |
270 |
110 |
150 |
48 |
160 |
88 |
160 |
88 |
100 |
52 |
105 |
316 |
270 |
110 |
170 |
48 |
180 |
88 |
180 |
88 |
125 |
56 |
115 |
340 |
310 |
110 |
200 |
88 |
210 |
88 |
210 |
88 |
150 |
56 |
137 |
376 |
310 |
110 |
225 |
88 |
240 |
8-22 |
240 |
8-22 |
200 |
60 |
164 |
430 |
353 |
150 |
280 |
88 |
295 |
8-22 |
295 |
8-22 |
250 |
68 |
206 |
499 |
353 |
150 |
335 |
128 |
350 |
12-22 |
355 |
12-26 |
300 |
78 |
230 |
570 |
380 |
150 |
395 |
12-22 |
400 |
12-22 |
410 |
12-26 |

注:以上的產品介,參數,圖片,數據僅用于參考,如果需更準確的資料請咨詢公司技術服務熱線:18117208829




